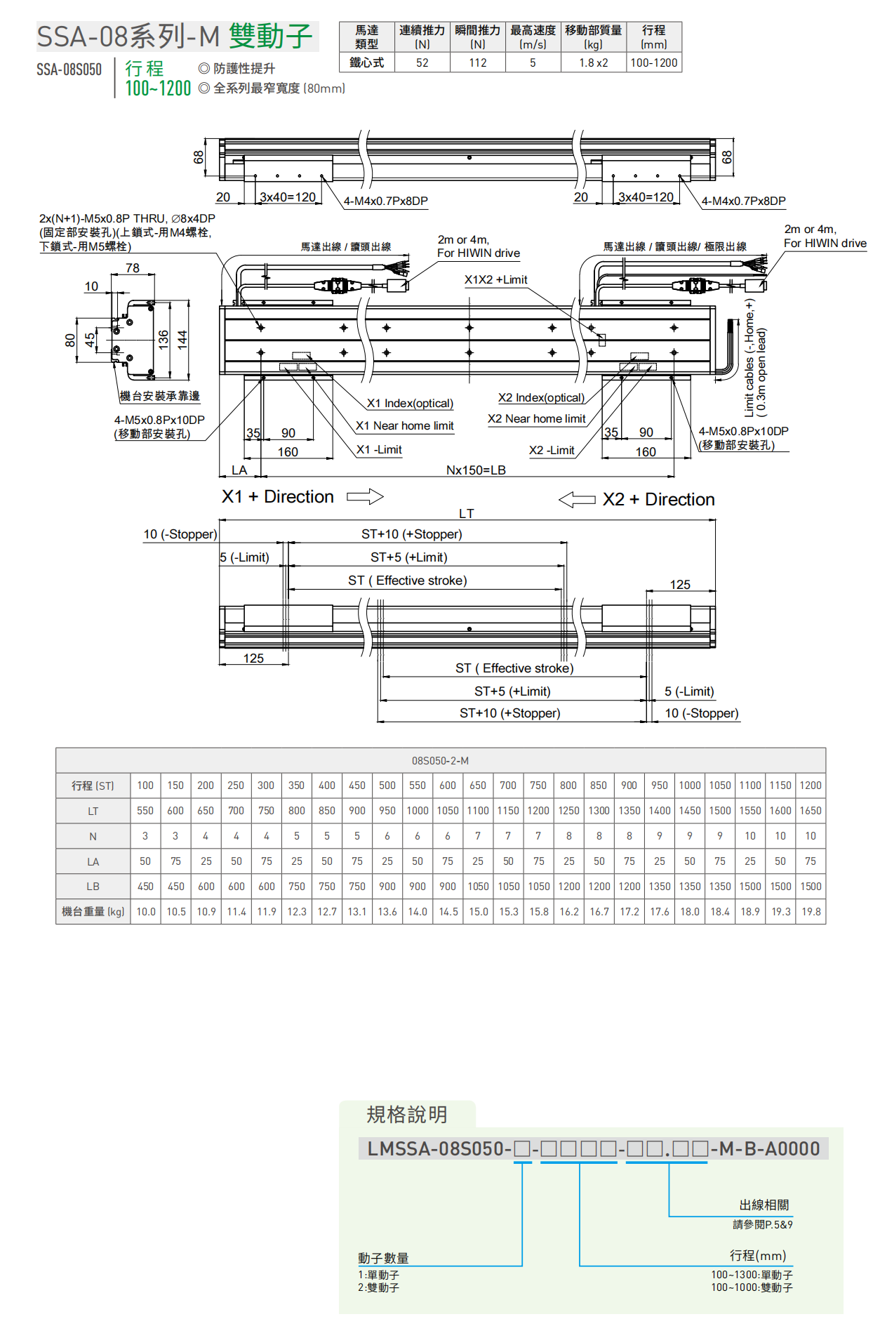
上银直线电机模组SSA08S050-2-500-K5.3A-M
特征

底座宽度:80mm

滑座长度:160mm

滑座宽度:144mm

总       高:78mm

连续推力:52N

瞬间推力:112N

重现精度:±1μm

绝对精度:±2μm

  • 基本信息
  • 规格尺寸
  • 配置/性能参数

        标        准:上银直线电机模组

        规        格:LMSSA08S050-2-500-K5.3A-M-B-A0000

        底座宽度:80mm                  滑座长度:160mm

        滑座宽度:144mm                总       高:78mm

        移动部重量:1.8kg*2            动子数量:双动子

        连续推力:52N                     瞬间推力:112N

        马达形式:铁心式                  K:数位光学0.1μm  

        重现精度:±1μm                  绝对精度:±2μm

        最高速度:5m/s                    加 速 度:5G

        承载重量:10kg                    外     罩:迷宫式

        外观颜色:黑色                     有效行程:500mm

        模组总长:950mm               模组重量:13.6kg

        整个系列有效行程:100-1200mm

        特      点:全系列最窄宽度(80mm)

        标准出线长度:马达3m/5m     编码器:3m      (提示:为元件出线长)

        搭配驱动器:D1-36         E1-400W



        上银直线电机模组-LSSA08系列

        上银LMSSA:標準品短交期、高精度

        Standard Single-Axis linear motor stage

         

        加速度5G
        最大速度5m/s
        行程100~1400mm
        重現精度±1um

         1112.png

        高精度 高稳定性丨HIWIN上银直线电机模组


        HIWIN单轴直线电机模组在同级别宽度产品中拥有:最大推力、规格多样化、高密封款 (适用于Class100环境) 等特色,搭配HIWIN自主研发E1高阶驱动器拥有智能化免调适、低速度链波、短整定时间、真龙门双驱同动、位置触发 (PT/PEG) 等内建标准功能,以及2D补偿的进阶驱动器选配方案。


        除掌握关键零组件的交期优势,能充分满足案件送样、量产等快速交货需求。模块更可弹性堆栈成XY、龙门、桥式等应用架构,满足客户各种自动化应用升级需求。产品广泛适用于工业4.0领域之相关应用,如:光学检测、激光加工、材料涂布、贴片插件、搬运及其它自动化生产设备。


        上银LMSSA系列

        HIWIN MIKROSYSTEM单轴直线电机模组优势

        ● 高磁力优化设计宇高速度响应频宽(3.2kHz)搭配,将直线电机发挥到极致。

        ● 隐藏式編碼器及限位感測器较不受环境因素影响。

        ● 雷射精度补偿标准出货


          

        內部结构说明

         

        铁心式直线电机模组

        ● 大推力密度直线电机俱有限空间內推力最大化,适合高动态响应。
        ● 高品质磁铁具有耐温高、稳定佳优势。

        ● 搭配上银E1驱动器速度涟波补偿功能可达到 1%(10mm/s)以下之速度误差表现。

        高刚性滑座.一体成形底座.永久式磁铁.隐藏式編碼器&限位感測器.大推力密度直线电机.高刚性导轨

        铁芯式.png

         


         

         



        直线电机应用案例:

         

        晶圆搬运自动化
        多动子勻速运动,确保晶圆行走稳定.

         

        高速取放裝置
        多动子高响应运动,大幅增加产能及稳定品质。

         

        高速检测/量测设备
        透过驱动器內建龙门双驱功,能达到快速精确定位效果。

         

        高效组装/点胶多工位自动化
        多动子同步工作,大幅增加产能及空间間利用率。


        高速定位、高刚性

        搭载E1系列驱动器能有效抑制机械震动与共振,以利设备呈现最佳效能。


        多工位、自动化生产线 

        标准模组可快速满足生产线之规划,并可同步执行组装、点胶、雷射打标等自动化生产作业。


        高精密检测、加工 

        透过E1驱动器补偿功能改善精密检测、加工製程之整定时间与位置追随误差,有效提升效率与产品良率。


        双驱龙门同动控制

        搭载E1-VG系列驱动器,可轻易达到直线与旋转运动的龙门控制应用。

        SSA应用案例.png



        解决方案.png

        速度涟波比较说明

        铁芯式马达透过E1驱动器的速度涟波补偿能确保速度误差<1%,并补足无铁芯式马达的平稳特性,使整套方案之成本更具市场竞争力。

        11111.png解决方案.png

      迷宫式直线电机:主图①SSA_B_10S100_right_副本.jpg

      应用于激光切割与3D打印(肮脏环境)

      防护能力:★★★★

      适用于SSA-08,10,13和SSA-18,20

      外观颜色:铝原色&黑色


      更快交期

      标准单轴直线电机产品7-10天交货

      更快响应3C自动化等行业的短交期需求


      image.png

    上银直线电机模组LMSSA08S050-2-500-K5.3A-M-B-A0000

    上银直线电机模组尺寸图:

    80-50-2-M 尺寸.png


    上银直线电机模组LMSSA08S050-2-500-K5.3A-M-B-A0000

    上银直线电机模组配置性能参数:


Copyright © 2021~ 东莞市百家智能科技有限公司 . All Rights Reserved. 备案号:粤ICP备18002647号